シティーゲート

現代都市にマッチする、シンプルで美しいデザイン(角型・丸型)
設置場所を選ばない洗練されたデザイン、高級感と美しさ、重厚感を演出します。
本体はSUSステンレス製ヘアーライン仕様と鏡面ミラー仕様の2種類。
本体にはいつまでも美しさを維持するガラスコーティングが施されています。
▼MIKIモデル


▼ACTモデル


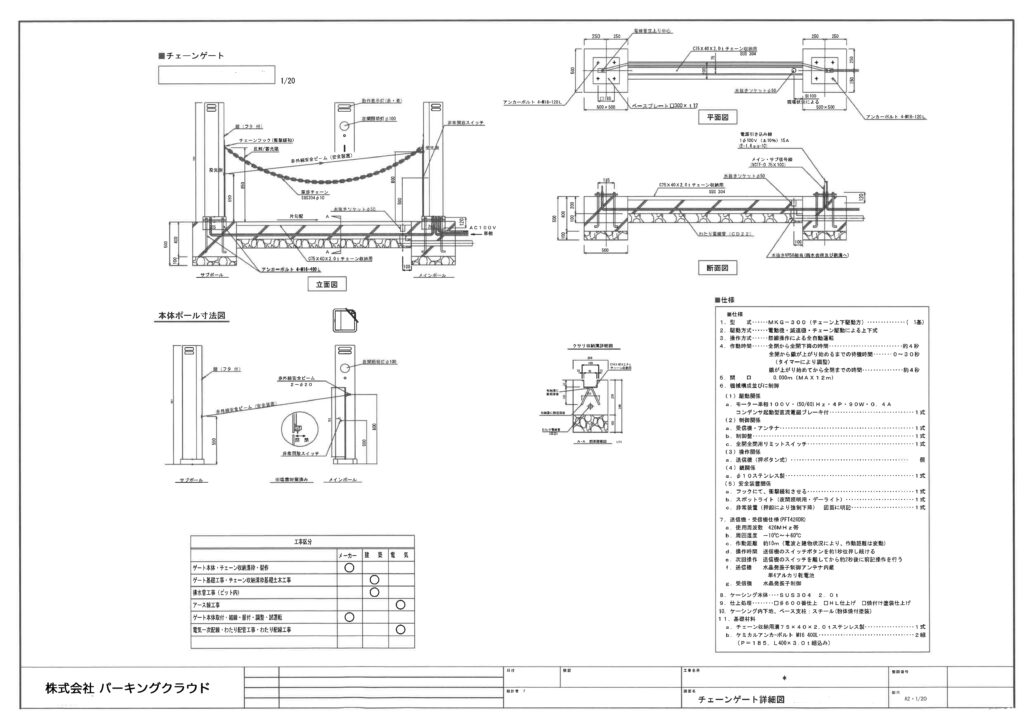
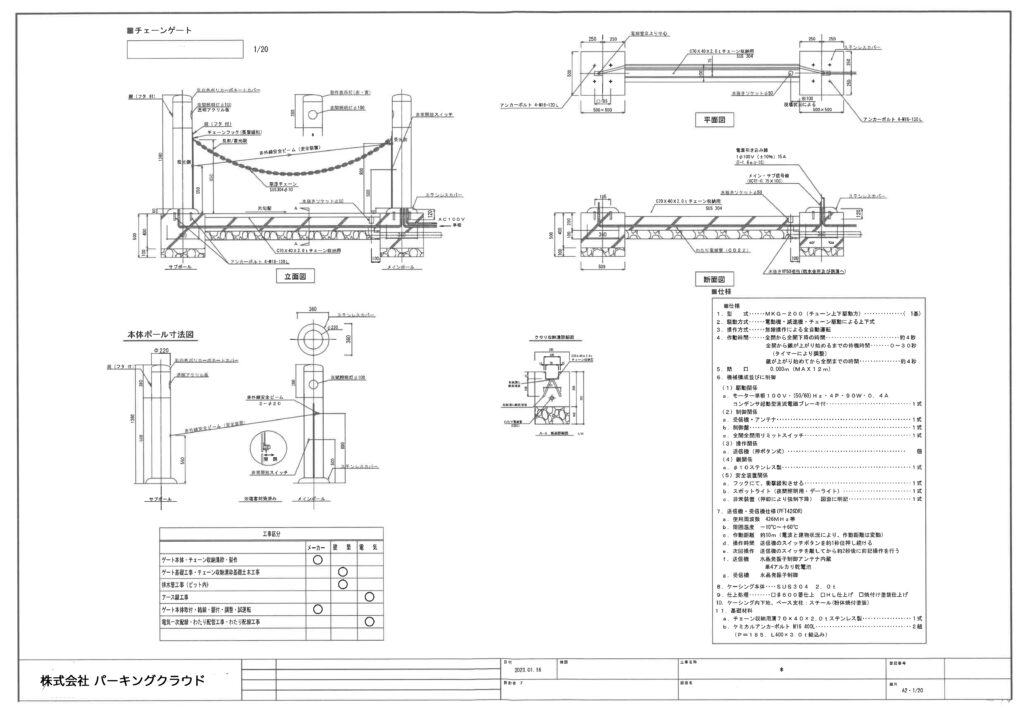
▼工事図面


高い安全性と保安機能
・視認性の高い2色発光LED警告灯、ゲート間を明るく照らすLED夜間照明、
本体には赤外線安全センサーを内蔵、ゲート間に障害物を感知するとチェーンは瞬時に下降停止いたします。
・間口最大幅10m、重厚な直径10ミリのステンレスチェーンで存在感をアピール。
・車両の接触によりチェーンに過大な抵抗が生じた場合、チェーンの安全ピンが切れることでチェーンが外れ車両の損傷を軽減いたします。
(切れたセイフティーリングは簡単に交換可能)
・停電時には自動で下降停止、通電時には自動で復帰いたします。
・本体にはシークレット電源スウィッチ内蔵で緊急時には下降停止操作がいつでも可能です。
・使用するモーターは、動作音の静かな住友製リバーシブルモーターに強力電磁ブレーキを搭載。
確実なリモコンによる遠隔操作
基本動作はチェーンゲートの前で一旦停止、機器に向かってリモコン操作
チェーンが下がったのを目視確認し安全確認後、速やかに通過して下さい。
リモコンは状況によりますが通常20mほど感知いたします。(5段階感度調整可能)
受信機の中間連結で100m以上の運用も可能です。
チェーンゲート運用方法
駐車場設置には多様な機器との連結に対応できます
例:
・パターン1:リモコン操作による入出庫(通過後のチェーン上昇速度の調整で連続通過を抑制可能)
・パターン2:入庫時にはリモコン操作、出庫時は自由出庫(車両感知センサー使用)
・パターン3:Aゲート車両入庫専用(リモコン使用)、Bゲート車両出庫専用(車両感知知センサー使用)
・パターン4:来賓・一時的な入庫次に専用コインによる入庫(専用コイン使用)
・パターン5:入庫時にインターフォン(管理事務所)でゲート稼働依頼
その他
チェーンゲート新規・交換の契約から設置までの流れ
新規設置:設置場所の確認〜基礎工事(半日)〜後日搬入据付工事(半日)当日引渡
交換設置:設置場所の確認〜基礎工事(半日)据付工事(半日)当日引渡
※雨天時一部工事変更、1次側外部電源(100V)工事が並行して必要です。
お問い合わせ
新規購入・入替・サブスク等に関してのご質問・ご相談は弊社までお問い合わせ願います。
使用用途や設置場所の状況などをお伺いし、最適な導入方法をご案内いたします。
株式会社パーキングクラウド
TEL:078-599-8813 (代表番号)月〜金
設計から製造、各制御装置から制御プログラム、使用するLED機器まで全て自社開発。
他社チェーンゲートのリモコン交換・修理・本体定期メンテナンスも承ります。
価格
シティーゲート・モデルA(丸型) オープン価格 個別販売価格 650,000円(税別)
シティーゲート・モデルB(角型) オープン価格 個別販売価格 750,000円(税別)
※新規設置工事費用一式 250,000円(税別・近畿二府四県)(1次側電気引込工事費別途)
基礎工事・ステンレス側溝・ステンレスチェーン一式
※旧チェーンゲート新品入替工事費用一式 80,000円(税別)
旧機器撤去処分費用・基礎補強(ステン製アンカーボルト交換要)
078-599-8813
CONTACT

